1
/
of
7
Swabe Camping CEE caravan inlet plug - 230V / 16A outdoor installation plug with hinged cover - 3-pin plug for caravans - outdoor area - IP44 - Made in Germany - Black I 61493
Swabe Camping CEE caravan inlet plug - 230V / 16A outdoor installation plug with hinged cover - 3-pin plug for caravans - outdoor area - IP44 - Made in Germany - Black I 61493
Free US shipping · Arrives in 5–7 business days
No reviews
Regular price
$50.98
Regular price
Sale price
$50.98
Shipping calculated at checkout.
Quantity
Couldn't load pickup availability
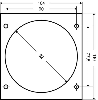
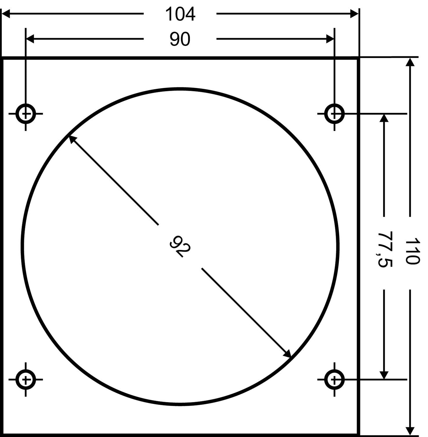
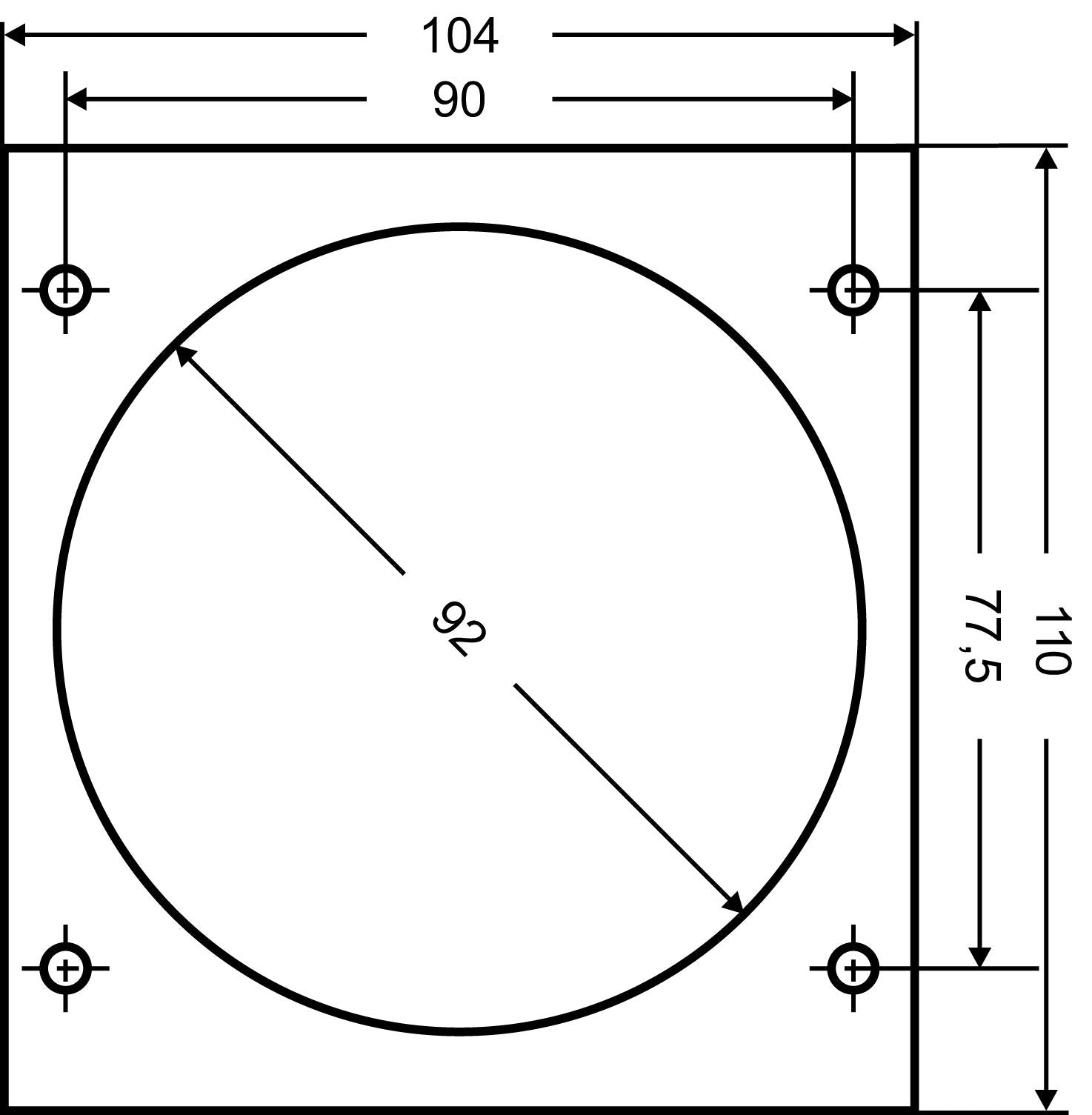
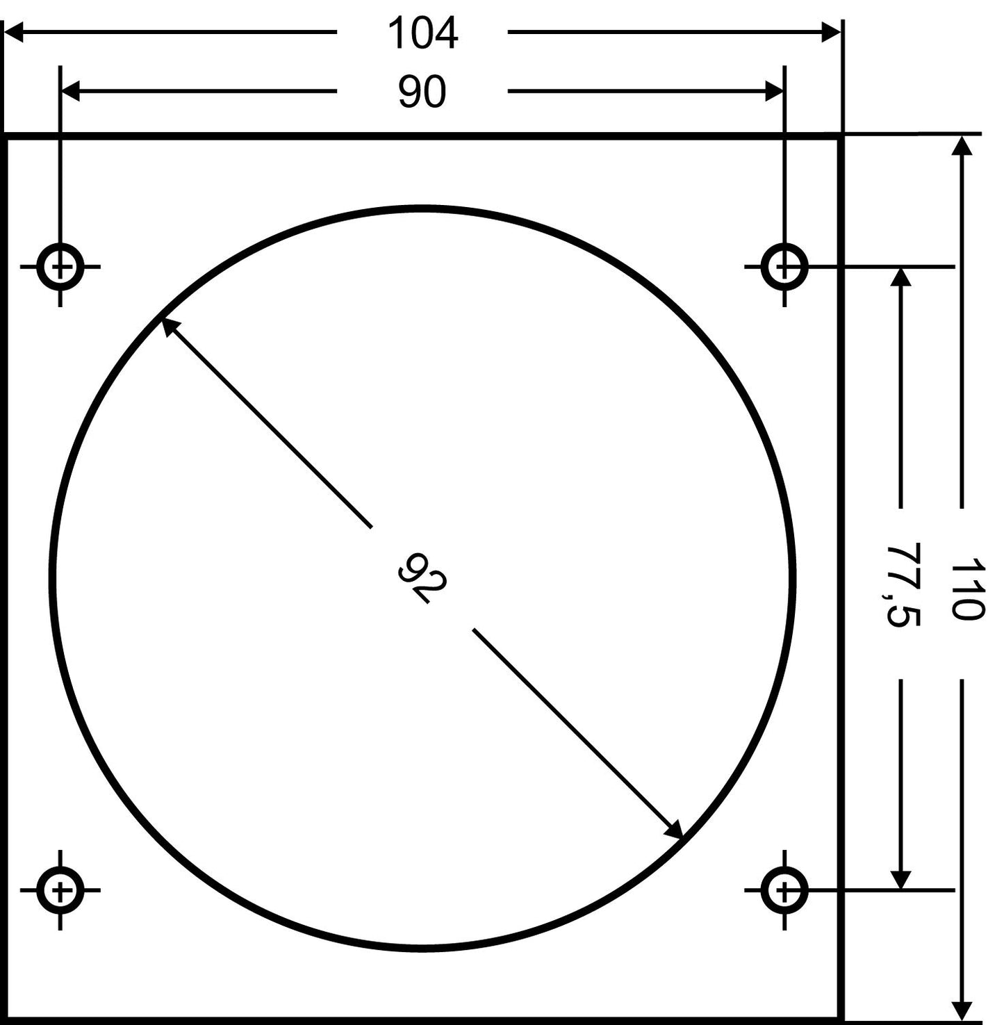
["Powerful and practical: The black CEE input plug (230V/16A/3-pole) with a hinged cover not only offers high protection, but also easy handling. Perfect for various applications in camping and outdoor activities.","Easy installation: With a flange dimension of 110 x 104 mm and a hole spacing of 90 x 77.5 mm, the plug can be quickly and easily installed. The installation depth of 82 mm ensures a stable and secure attachment.","High-quality workmanship: The CEE input plug from as - Schwabe for self-assembly offers durable quality and robustness for all your outdoor adventures. Tested according to IEC 60309 for maximum safety and reliability.","Safe and protected: With IP44 certification, the plug is protected against foreign objects and splash water. Ideal for use in moist environments to reliably and safely supply your devices with power.","German quality and reliability: With the quality label "Made in Germany", the CEE input plug stands for highest standards and reliability."]
18-Month Warranty Included
Share






